Customizable wavelength narrow linewidth laser module (1510-1590nm) with selectable linewidth 1kHz/3kHz/5kHz/10kHz and stable 20mW output. Ultra-low noise, high stability, ideal for fiber sensing, LiDAR, test & measurement and OEM systems.
Model: UNL-XXXX-20-X
Dongz
Email: Sales@wxgphotonics.com
This UNL-XXXX-20-X series narrow linewidth laser module supports wavelength customization from 1510nm to 1590nm and flexible linewidth selection (1kHz, 3kHz, 5kHz, 10kHz). It provides stable 20mW optical output, ultra-low phase noise, and excellent long-term stability, making it widely used in fiber optic sensing, LiDAR, precision testing, scientific research and customized OEM solutions.
Narrow-Linewidth Laser Module Customizable wavelengths within the 1511–1590 nm range
| Parameter | Min. | Type. | Max. | Unit | Nore |
|---|---|---|---|---|---|
| Center Wavelength | 1511 | 1550 | 1590 | nm | |
| Output Optical Power | 10 | 13 | dbm | ||
| Relative Intensity Noise | -150 | dB/Hz | >100kHz | ||
| Side Mode Suppression Ratio | 50 | 68 | dB | ||
| Polarization Extinction Ratio | 20 | 30 | dB | ||
| Optical Power stability | ±2% | -20℃~+70℃ (Ambient temperature) | |||
| Optical Power stability | ±0.5% | 12h @ 25±2℃ (Ambient temperature) | |||
| Wavelength Stability | ±15 | pm | -20℃~+70℃ (Ambient temperature) | ||
| Short-term drift of optical frequency | 1 | MHz/s | After the module reaches thermal equilibrium | ||
| Long-term drift of optical frequency | ±38 | MHz/s | 12h@ 25±2℃ (Ambient temperature) | ||
| Operating Current | 400 | 2000 | mA | ||
| Operating Voltage | 4.75 | 5 | 5.25 | V | |
| Operating Temperature | -20 | 70 | ℃ | ||
| Storage humidity | 5 | 95 | %RH | ||
| Fiber Optics/Connectors | Polarization-maintaining (PM) fiber, FC-APC | ||||
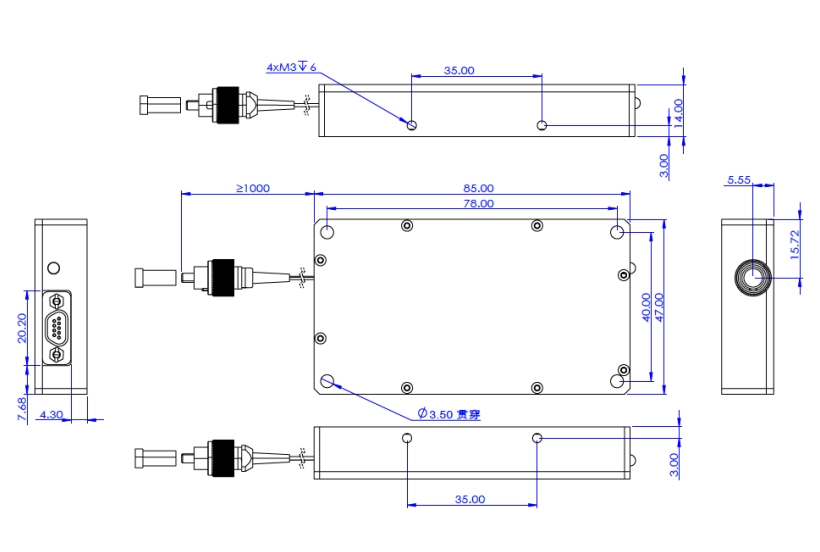
| Module Dimensions | L*W*H(85*47*14mm) | ||||
| Module weight | 145g | ||||
| Reliability | Telcordia GR-468 |
Line Width and Noise Parameters
| Linewidth & Optical Frequency Noise | Level 1 | Level 1 | Level 1 | Unit |
|---|---|---|---|---|
| Integration line width 1 | 10 | 5 | 3 | kHz |
| Instantaneous linewidth 2 | 1.17 | 0.78 | 0.32 | kHz |
| Frequency noise @ 10Hz | 7E+06 | 1E+06 | 7E+05 | Hz rms^²/Hz |
| Frequency noise @ 200Hz | 7E+04 | 2E+04 | 6E+03 | Hz rms^²/Hz |
Note 1:The integrated linewidth was measured using the heterodyne non-equilibrium interferometry method.
Note 2:The instantaneous linewidth corresponds to the Lorentzian linewidth.

Figure 1. Example of integral linewidth (linewidth 2.15 kHz, self-heterodyne unbalanced interference method, 50 km delay fiber)

Figure 3. Example of Light Intensity Noise 0–100 MHz (Measured via Spectrum Analyzer with 4 mW Laser Input to Photodetector)

Figure 4. Example of Light Intensity Noise at 1 MHz - 10 MHz (Measured using SYCATUS A0010A RIN Test System)

5. Light Intensity Noise Example: 10 MHz - 3 GHz (Measured using SYCATUS A0010A RIN Test System)

6. Optical Frequency Noise Example (450Hz spike introduced by SYCATUS A0040A optical frequency noise test system, not module noise)


| PIN | Name | Desc |
|---|---|---|
| 1 | Vcc | Input power supply: 5V/3A low noise (recommended ripple <5mV) |
| 2 | Tx(output) | Data Output, 3.3V TTL (default) |
| 3 | Rx(input) | Data Input, 3.3V TTL (default) |
| 4 | Gnd | Gnd |
| 5 | Gnd | Gnd |
| 6 | Vcc | Input power supply: 5V/3A low noise (recommended ripple <5mV) |
| 7 | Mod+(input) | Custom Features |
| 8 | Mod-(input) | Custom Features |
| 9 | Enable(input) | Module restart interface, default low level, high level triggers restart; |
UNL-XXXX-20-X
UNL-1550-20-3:Wavelength: 1550 nm Power: 20 mW Linewidth: 3 kHz
UNL-1550-20-5:Wavelength: 1550 nm Power: 20 mW Linewidth: 5 kHz
UNL-1550-20-10:Wavelength: 1550 nm Power: 20 mW Linewidth: 10 kHz